
Hauj lwm lawm
Cov Motors rau Kev Siv Kho Mob
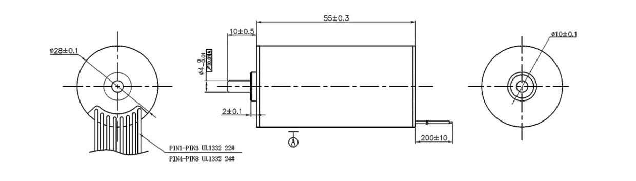
| Cov duab khoom | |||||||||
| Tsav Qauv | VEC -2850 | VEC -2855 | VEC -3269 | Vec -2867 di | |||||
| Fai fab hov ntau | Kev Ua Haujlwm | 8.4~14.4 | 22~26 | 8.4~14.4 | 22~26 | 8.4~14.4 | 22~26 | 8.4~14.4 | 22~26 |
| Ntxhuab V |
12 | 24 | 12 | 24 | 12 | 24 | 12 | 24 | |
| Tsis muaj nra | Hov ceev r / min |
8658 | 17650 | 4716 | 11131 | 2566 | 5236 | 1556 | 3180 |
| Txiv kav A |
0.26 | 0.22 | 0.139 | 0.136 | 0.139 | 0.134 | 0.06 | 0.05 | |
| Ntawm siab tshaj plaws efficiency | Hov ceev r / min |
7261 | 15536 | 4140 | 10218 | 2146 | 4599 | 1295 | 2781 |
| Niaj hnub A |
1.351 | 1.911 | 0.997 | 1.557 | 0.709 | 1.003 | 0.296 | 0.419 | |
| Torque mn.m |
14.867 | 22.492 | 21.362 | 36.066 | 26.076 | 42.08 | 12.364 | 18.772 | |
| Khoom uas tsim tau lawm W |
11.305 | 36.593 | 9.26 | 38.525 | 5.86 | 20.265 | 1.676 | 5.468 | |
| Pib | Torque mn.m |
92.126 | 187.794 | 174.534 | 438.557 | 159.113 | 345.727 | 91.42 | 149.8 |
| Niaj hnub A |
7.022 | 14.043 | 7.147 | 17.411 | 3.618 | 7.238 | 1.463 | 2.923 | |
| Cov Khoom Tsim Qauv |
|
|
|
|
|||||
| Cov khoom lag luam |
|
|
|
|
|||||
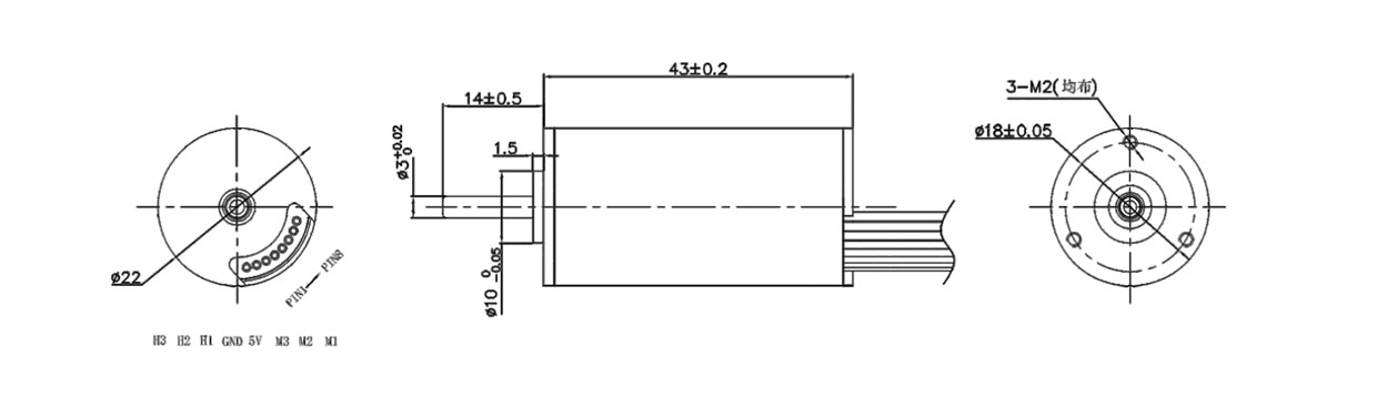
| Cov duab khoom | |||||||||
| Tsav Qauv | VEC -4035 | VEC -1656 si | VEC -1657 | VEC -2838 | |||||
| Fai fab hov ntau | Kev Ua Haujlwm | 12 | 22~32 | 8~14 | 22~32 | 8~14 | 22~32 | 8~16 | 18~26 |
| Ntxhuab V |
12 | 24 | 12 | 24 | 12 | 24 | 12 | 24 | |
| Tsis muaj nra | Hov ceev r / min |
19540 | 39425 | 37256 | 7500 | 15649 | 32062 | 56942 | 92000 |
| Txiv kav A |
0.81 | 0.81 | 0.286 | 0.281 | 0.18 | 0.16 | 0.32 | 0.26 | |
| Ntawm siab tshaj plaws efficiency | Hov ceev r / min |
17266 | 36066 | 33133 | 69025 | 12871 | 27817 | 49659 | 82946 |
| Niaj hnub A |
6.15 | 8.697 | 2.298 | 3.249 | 0.834 | 1.179 | 2.22 | 2.38 | |
| Torque mn.m |
38.234 | 56.474 | 7.165 | 10.555 | 4.788 | 7.317 | 4.247 | 5.957 | |
| Khoom uas tsim tau lawm W |
69.131 | 213.292 | 24.86 | 76.291 | 6.453 | 21.314 | 22.087 | 51.742 | |
| Pib | Torque mn.m |
328.513 | 662.826 | 64.727 | 130.473 | 36.971 | 55.259 | 33.208 | 60.528 |
| Niaj hnub A |
46.688 | 93.376 | 18.46 | 36.92 | 3.864 | 7.728 | 15.11 | 21.82 | |
| Cov Khoom Tsim Qauv |
|
|
|
![]() |
|||||
| Cov khoom lag luam |
|
|
|
|
|||||
| Cov duab khoom | |||||||||
| Tsav Qauv | VEC -0824 | Vec -2242 hi | VEC -2248 | VEC -3260 si | |||||
| Fai fab hov ntau | Kev Ua Haujlwm | 6~12 | 8~14 | 18 | 22~32 | 8.4~14.4 | 22~26 | 8.4~14.4 | 22~26 |
| Ntxhuab V |
6 | 12 | 18 | 24 | 12 | 24 | 12 | 24 | |
| Tsis muaj nra | Hov ceev r / min |
35000 | 71171 | 52379 | 70170 | 34680 | 70263 | 3301 | 6748 |
| Txiv kav A |
0.055 | 0.055 | 0.37 | 0.37 | 0.37 | 0.34 | 0.141 | 0.138 | |
| Ntawm siab tshaj plaws efficiency | Hov ceev r / min |
29663 | 63138 | 46083 | 62746 | 29913 | 63147 | 2738 | 5891 |
| Niaj hnub A |
0.306 | 0.432 | 2.708 | 3.127 | 2.321 | 3.283 | 0.685 | 0.969 | |
| Torque mn.m |
0.369 | 0.556 | 7.827 | 9.23 | 6.534 | 9.753 | 19.256 | 29.298 | |
| Khoom uas tsim tau lawm W |
1.147 | 3.673 | 37.773 | 60.65 | 20.467 | 64.4696 | 5.52 | 18.074 | |
| Pib | Torque mn.m |
2.421 | 4.922 | 65.112 | 87.236 | 47.529 | 96.296 | 112.833 | 230.655 |
| Niaj hnub A |
1.699 | 3.398 | 19.817 | 26.425 | 14.566 | 29.131 | 3.33 | 6.66 | |
| Cov Khoom Tsim Qauv |
|
|
|
|
|||||
| Cov khoom lag luam |
|
|
|
|
|||||
Tsav lub nroogs nyob rau hauv lub teb kho mob
Cov Motors Lub Cev (Hollowo BSTDED Cov.
VSD cov motors tsis tau tam sim no siv rau ntau yam kev kho mob xws li cov khoom siv kho mob, cov twj kho mob, cov khoom kho mob thiab kev kho mob. Cov cuab yeej siv no yuav tsum pib dua, thiab cov lus teb nrawm, tab sis kuj tseem ua kom muaj kev kub siab, yog li txo qhov tsis ua haujlwm thaum lub sijhawm ua haujlwm.
VSD cov motels hais ncaj ncees yog tsim kom nruj raws li kev kho mob iS thiab kuj txhawb kev siv plua plav tshwj xeeb ntawm kev ntseeg tau thiab kev nyab xeeb hauv ib puag ncig kho mob.
VSD cov motenors txoj cai txhawb nqa ntau yam ntawm voltage, suav nrog 6V, 18v, 186, 18, uas muab kev txhawb siab ntau rau cov khoom siv kho mob. Ib qho ntxiv, VSD tuaj yeem kho lub cev muaj zog, voltage, mounting qhov kev tsim nyog thiab txhuas tsim kom tau raws li cov kev xav tau ntawm cov khoom siv sib txawv.
Tsis muaj teeb meem koj los qhov twg los, ntev npaum li koj muaj kev xav tau kev daws teeb meem kev kho mob thiab cov khoom siv muaj zog thiab kev txhim kho kev kho mob thev naus laus zis.
Koj tau txais dab tsi thaum koj xaiv VSDTsav lub nroog
Kev ruaj siab zoo rau cov neeg muaj lub zog
VSD yeej ib txwm muaj kev cog lus los muab cov neeg siv khoom nrog cov kev daws teeb meem kev ua tau zoo thiab saib zoo. Txawm hais tias nws yog cov khoom siv kho mob lossis lwm daim teb siab-precision teb, VSD tuaj yeem coj koj tag nrho ntawm cov txiaj ntsig zoo.
Txhawb Nqa Cov Qauv Dawb
Txawm hais tias nws yog peb cov khoom txheem lossis cov khoom lag luam tsim tau, VSD muab cov kev ua piv txwv dawb. Nyob rau hauv thawj theem, peb yuav tsum them tus nqi coj mus kuaj, tab sis tom qab kev sib koom tes tsim nyog, peb yuav rho tus nqi them rau tus nqi xaj, los pab cov neeg siv khoom txo tus nqi pib thawj zaug.
Kev Kuaj Zoo
Txhua lub cev muaj lub cev muaj zog tawg ua tau zoo ua tau zoo ua ntej kev kuaj, kuaj dej, ntsuas kev tso tawm, ntsuas kev ntsuas kom huv, ntsuas kev ntsuas thiab cov duab ntawm lwm cov kev ntsuam xyuas. Cov kev ntsuam xyuas no ua rau cov haujlwm ruaj khov kho ntawm cov chaw zov me nyuam ib puag ncig, muab kev ntseeg siab ntau dua thiab ruaj khov rau cov khoom siv kho mob.
Kev Txhawb Nqa Kev Txhawb
VSD muaj pab pawg R & D los muab cov kev pab tswv yim thiab cov teeb meem kev ua haujlwm kom ntseeg tau tias koj tsis muaj kev txhawj xeeb thaum xaiv thiab siv cov motors.
Ua tib zoo mloog tom qab muag cov kev pab cuam
Nyob rau hauv cov nqe lus ntawm cov khoom, peb muab cov neeg siv khoom nrog 3 txog 12 hlis tom qab muag txoj cai; Hais txog cov kev pabcuam, VSD cov pab pawg lag luam tawm txawv teb chaws tau tsim ntau xyoo ntawm kev paub, teb rau koj cov kev xav tau raws sijhawm thiab coj koj cov kev paub tom qab muag khoom zoo.
Kev paub ntau hauv kev lag luam kho mob
Cov neeg siv lub nroog uas tsim los ntawm VSD tau siv dav siv hauv cov cuab yeej hauv kev kho mob, xws li kev kho mob, ua rau kev kho mob cov neeg kho mob, ua rau kev kho mob kev txhim kho ntawm kev kho mob kev kho mob.
Trusted cov chaw tsim khoom ntawm cov neeg muaj lub cev
Raws li cov kws tshaj lij kev tshaj lij ntawm cov neeg siv hluav taws xob, VSD tau tsim ib qho kev ntseeg siab hom hauv kev lag luam los ntawm nws cov peev txheej tsim khoom thiab kev pabcuam zoo tshaj plaws.
Rhiav ntau lawm
VSD lub Hoobkas nyob hauv Dongguan, Guangdong, Suav teb, npog ib thaj chaw ntau tshaj 10, {square meters. Peb yog lub tuam txhab tiag tiag thiab muaj peev xwm lees paub, thiab peb zoo siab tos txais cov neeg siv khoom tuaj ntsib peb txhua lub sijhawm los ua peb lub zog tsim khoom thiab kev lag luam.
Technology kev txhim kho ntawm qhov ua ntej
Peb nqis peev ze li ib lab daus las ib xyoos hauv kev tshawb fawb thiab kev txhim kho peb cov khoom siv tau ua kom peb cov khoom lag luam kom tau raws li kev txhim kho kev kho mob.
Cov Khoom Siv Automation Advation
Lub Hoobkas VSD yog nruab nrog ntau yam khoom siv tshuab hluav taws xob siab, xws li stator tshuab, tsis siv neeg lub cap cap stator tshuab, thiab tsis siv neeg sch muab tshuab. Cov khoom lag luam zoo no muab cov khoom siv muaj zog rau kev tsim lub cev muaj zog thiab txuas ntxiv txhim kho qhov sib xws thiab muaj kev ruaj khov ntawm cov khoom.
Muaj peev xwm ntau lawm
Peb muaj ntau dua 40 txoj kab ke tau nruab nrog ntau dua 300 teev ntawm cov khoom siv tau ntau dua li 200, {} unses lossis ntau dua, uas tau lees paub peb cov neeg siv khoom ' XIM YUAV TSUM TAU.
Tus nqi tau kom zoo dua ntawm Hoobkas ncaj qha
Raws li cov chaw tsim khoom ncaj qha rau cov qhua tuaj noj mov, VSD muaj qhov pom tseeb meej hauv tus nqi. Los ntawm kev txo cov kev sib txuas nruab nrab, peb muab peb cov neeg siv khoom nrog cov khoom lag luam muaj nuj nqis ntau dua, pab kom lawv nyob kom zoo rau kev sib tw hauv khw.
Txawm hais tias koj xav tau cov khoom txheem lossis kev daws teeb meem, VSD muaj lub zog thiab kev txawj ntse kom tau raws li koj cov kev xav tau. Raws li cov kev paub tsim cov chaw tsim khoom ntawm cov moteless, VSD yuav sib zog los muab cov khoom lag luam zoo, cov khoom lag luam siab thiab ua koj tus khub uas ntseeg siab.
Nco tseg: Kawm paub ntau ntxiv txog lub zog ntawm VSD Micromotor Hoobkas
Xa kev nug
Koj Tseem Yuav Zoo Li











































